无锡蠡湖钢件厂废气、粉尘环保达标排放治理项目
- 2024-10-25 13:59:00
- sunmiao 原创
- 3366
无锡蠡湖增压技术股份有限公司在涡轮增压器零部件的研发、生产与销售在寿行业内是领头羊。在熔炼、浇铸、制芯过程中产生大量的烟尘,且气味难闻。原有废气处理设备已经老化,且不能满足日益增加的产能带的废气处理问题。为了改善生产环境,减少对环境的污染,委托江苏环境和星泽机电 公司对钢件制造产生的废气和灰尘进行洗涤过滤净化综合治理,达到环保PM2.5排放国家环保标准要求。项目有静止设备、集尘风管、排气烟囱及配套泵、管道、仪表、电缆、桥架的采购、安装及调试。下面对该项目进行具体介绍。
一、设计基础数据
1)设计参数:
熔炼废气设计参数:
序号 |
名称 |
数值 |
单位 |
备注 |
1 |
废气来源 |
钢浇铸废气 |
||
2 |
废气温度 |
80 |
℃ |
|
3 |
涉及的原辅物料 |
钢锭、废钢材料 |
||
4 |
风管进口浓度 |
30mg/m3(有机物),尘300mg/m3 |
||
5 |
臭气浓度 |
200 |
无量纲 |
|
6 |
颗粒物含量 |
较多 |
以粘性树脂和粉尘颗粒物为主 |
|
7 |
运行时间 |
24h/d,300d/a |
连续运行 |
|
设计规模:旋风除尘器设计处理气量65000m3/h,1套;洗涤塔设计处理气量65000m3/h,1套。19万m3/h烟囱,Ф2200×H30000,1套。
浇铸废气设计参数:
序号 |
名称 |
数值 |
单位 |
备注 |
1 |
废气来源 |
浇铸废气 |
||
2 |
废气温度 |
80 |
℃ |
|
3 |
涉及的原辅物料 |
型砂(由石英砂、煤粉、膨润土和水组成,其中石英砂96%、煤粉1%、膨润土1%、水2%),酚醛树脂覆膜砂(含有游离酚、固化剂),脱模剂(主要成分为硅铝酸盐耐火材料30-50%、黏土类矿物1-10%、水、水20-40%、水性高分子10%,流变助剂5%) |
||
4 |
风管进口浓度 |
60mg/m3(有机物),尘200mg/m3 |
||
5 |
臭气浓度 |
800 |
无量纲 |
|
6 |
颗粒物含量 |
较多 |
以粘性树脂和粉尘颗粒物为主 |
|
7 |
运行时间 |
24h/d,300d/a |
连续运行 |
|
设计规模:动力波洗涤塔设计处理气量110000m3/h,1套;填料洗涤塔设计处理气量110000m3/h,1套;干式过滤器设计处理气量60000m3/h,2套;活性炭吸附箱设计处理气量60000m3/h,2套。
制芯废气设计参数:
序号 |
名称 |
数值 |
单位 |
备注 |
1 |
废气来源 |
制芯废气 |
||
2 |
废气温度 |
35 |
℃ |
洗涤后温度 |
3 |
涉及的原辅物料 |
型砂(由石英砂、煤粉、膨润土和水组成,其中石英砂96%、煤粉1%、膨润土1%、水2%),酚醛树脂覆膜砂(含有游离酚、固化剂),脱模剂(主要成分为硅铝酸盐耐火材料30-50%、黏土类矿物1-10%、水、水20-40%、水性高分子10%,流变助剂5%) |
||
4 |
风管进口浓度 |
60mg/m3(有机物),尘50mg/m3 |
||
5 |
臭气浓度 |
800 |
无量纲 |
|
6 |
颗粒物含量 |
较多 |
以粘性树脂和粉尘颗粒物为主 |
|
7 |
运行时间 |
24h/d,300d/a |
连续运行 |
|
设计规模:干式过滤器设计处理气量85000m3/h,4套;活性炭吸附箱设计处理气量45000m3/h,8套。34万m3/h烟囱,Ф2800×H30000,1套。
(2)工艺流程说明
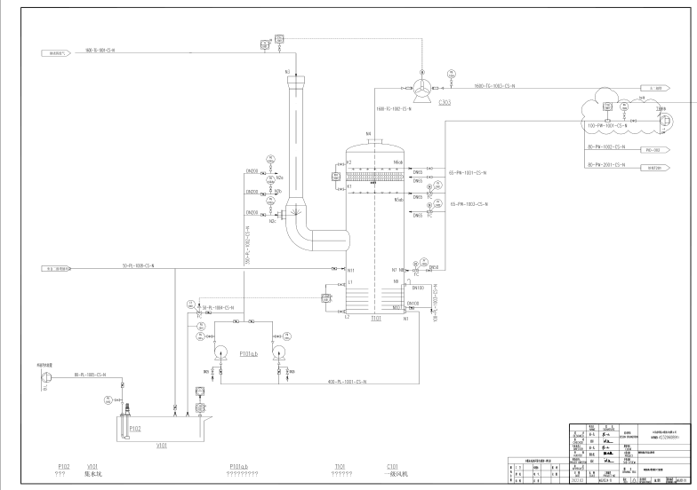
熔炼废气经过旋风除尘器和洗涤塔洗涤后,和浇铸处理尾气共同排入Ф2200烟囱。
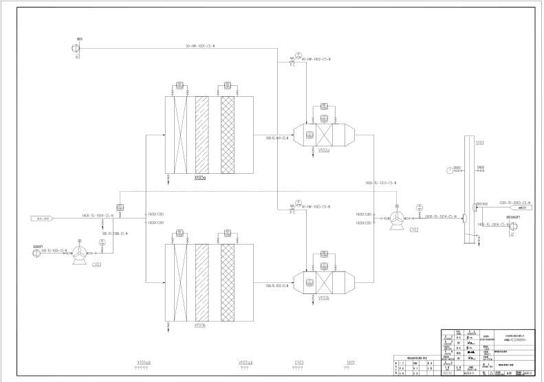
浇铸废气经过逆喷洗涤和填料塔洗涤后,依次进入干式过滤器和固定床吸附箱。
制芯废气经过空塔洗涤和填料塔洗涤后,依次进入干式过滤器和固定床吸附箱。废气经汇总后排入Ф2800烟囱。
一、技术要求
1、通用要求
(1)使用寿命。整套设备设计寿命20年,正常使用条件下连续运行不少于8400小时/年。
(2)设备功能完整、技术先进,并能满足人身安全和劳动保护条件。
(3)所有设备均正确设计和制造,在正常工况下均能安全、持续运行,不应有过度的应力、振动、温升、磨损、腐蚀、老化等其它问题,设备结构方便日常维护(如加油、紧固等)。
(4)设备零部件采用先进、可靠的加工制造技术,应有良好的表面几何形状及合适的公差配合。
(5)外购配套件,选用优质名牌、节能先进的产品,并有生产许可证及生产检验合格证。
(6)易于磨损、腐蚀、老化或需要调整、检查或更换的部件提供备用品,并能比较方便地拆卸、更换和修理。
(7)所用的材料及零部件(或元器件)应符合有关规范的要求,且应是新的和优质的,并能满足当地环境条件的要求。
(8)所使用的零件或组件应有良好的互换性。
(9)本项目所处地冬季可能存在低温寒冷,设备系统管线应按需考虑采取保温或伴热措施,保证冬季能正常使用。
(10)管道系统的布置(包括合理设置的各种支吊架)应能承受各种荷载和应力。所有管道的布置和支吊架设计便于检修维护与保温安装。与设备连接处提供法兰短管件,以减少维修要求的管道拆卸工作。
(11)尽量将设备整体采取模块化设计,将系统内的设备整体撬装,确保现场开车调试的高效、安全、可靠。
2、自动化控制说明
动力波洗涤系统具备自动补水、自动排水、自动冲洗的功能,自动排水阀与塔釜液位变送器联锁,中继风机与逆喷管前端风管上的压力变送器联锁,保证负压状态。
钢制喷淋塔系统具备自动补水、自动排水、自动冲洗的功能,自动排水阀与塔釜液位变送器联锁。
每套干式过滤器配置2个差压变送器,并具备高压差报警功能,用于提示更换滤芯。
每套固定床吸附箱配置2个温度变送器,并具备高温和高高温报警功能,高温仅报警,高高温联锁启动消防水管路的自动开关阀。每套吸附箱配置1个压差变送器,并具备高压差报警功能。
3、本系统具有三种控制方式
1)手动控制方式
当现场控制柜上的远/手/自动转换开关处于手动位置时,设备只受现场控制按钮的控制,此时,PLC只负责对设备的工况进行监视而不参与控制,可靠继电控制回来来实现手动控制。手动控制方式具有最高优先级。
2)自动控制方式
当现场控制柜上的远/手/自动转换开关处于自动位置,同时PLC监控画面上的控制方式也处于自动状态,此时PLC会根据现场的工艺参数机设备的工况完成对设备的自动控制而无须人工干预,即真正意义上的自动控制。
3)远程控制方式
当现场控制柜上的远/手/自动转换开关处于远程位置,同时上位机也在远程启动设备状态,此时PLC会根据现场的设备的工况完成对设备的自动远程控制而无须人工干预。
4、 本系统具有四大功能
1) 数据采集和存储功能
系统可自动连续地检测并纪录显示出水处理过程中各个工艺环节、各个时段的液位、出水流量等生产数据,以及生产设备的运行工况等。
2)自动保护功能
PLC能对采集到的数据进行综合分析,从而判断出生产过程中有可能发生的事故,完成自动报警和主动采取预防措施,防止事故的发生和扩大,达到保护人身和设备的目的;
3)自动控制和调节功能
系统处于自动控制状态下,PLC能根据工艺参数、设备工况和控制要求,按规定的时间周期、设定的逻辑顺序和设定的工艺参数自动的起停设备、自动切换设备的交替运行。
4)工艺控制画面
根据工艺特点和要求,整个站区的监控画面包括以下几部分:
u 工艺流程画面
u 数据监测画面
u 设备运行情况监测画面
u 设备故障报警画面
三、现场施工图及废气处理流程图




废气处理流程图


四、项目总结:
通过省、市环保部门的检测验收,新的废气、除尘系统达到预期设计要求,厂区的废气、粉尘排放均达到排放标准。整个项目相比之前的设备,在节水、节电、节材消等方面也有显著提高。获得业主和环保部门的高度好评。
| 联系人: | 张小姐 |
|---|---|
| 电话: | 0731-84010225 |
| 传真: | 0731-84011784 |
| Email: | hnsonz@sina.cn |
| 网址: | http://www.sonz.cn |
| 地址: | 长沙县泉塘街道新长海广场写字楼A座2501室 |
扫码关注“星泽机电”微信公众号
搜索微信公众号“星泽机电”
或微信号“sonz168”也可关注